您的位置:主页贴片PTC
2920封装   PTC    LP-SM

2920封装 PTC LP-SM

  • 型号:LP-SM系列
  • 类别:贴片PTC
  • 封装:smd


客服热线:13728402719

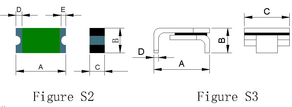
产品尺寸:

产品性能参数

环境温度电流锐减表:



展开

QQ在线客服

网页咨询
华亿在线-华亿在线(中国) 爱游戏平台-官方app 爱游戏(ayx)中国官方网站 开云手机入口-开云(中国) 开云线上平台(集团)官方网站 leyu.乐鱼(中国)官方网站 ky体育(中国)官方网站 G22恒峰-官方网站 恒峰g22登录入口官网